RL7121(RA7121)滚轮杠杆型
产品特点
1、长寿命
采用高效率的弹簧结构设计,机械寿命为1000万次以上。
2、机械强度高、小巧、轻便
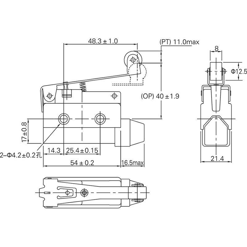
安装孔间距为25.4mm,与RZ型微动开关相同。
外壳采用有良好机械特性的塑胶材料制成,能耐受较大的冲击。
3、防尘和耐油的结构设计
◎开关主体用被压缩的橡胶圈进行密封,可保持IP64的密封等级。
◎可定制端子部分用环氧树脂进行密封的产品,但引出导线要先选定。
4、对于较大的超行程有良好的缓冲、减震作用。
5、已通过CCC认证。
◆用途
食品机械、自动包装机、机床设备、输送机械、自动生产线控制、对防护要求严格的轻工业机械等。
下一篇:RL7124单方向动作滚轮杠杆型上一篇:RL7120杠杆型
德沃电子Dewo electronic technology
联系德沃
全国服务咨询热线:0769 - 81732018
联系人 : 王松山
手机 :13829297477
传真 : 0769-81732225
邮箱 : sales@dgdewo.com
地址 : 东莞市石碣镇桔洲第三工业区铭华路23号





