DV16-A00-WW1-015C-033轻力度

产品型号:DV-16-A00-WW1-015C-033
额定负载:5(2)A 125/250VAC,0.1A 125/250VAC
适用温度:-40℃~+125℃
电气寿命:≥5万次
机械寿命:≥100万次
焊接温度:手工焊 350° 2-3S
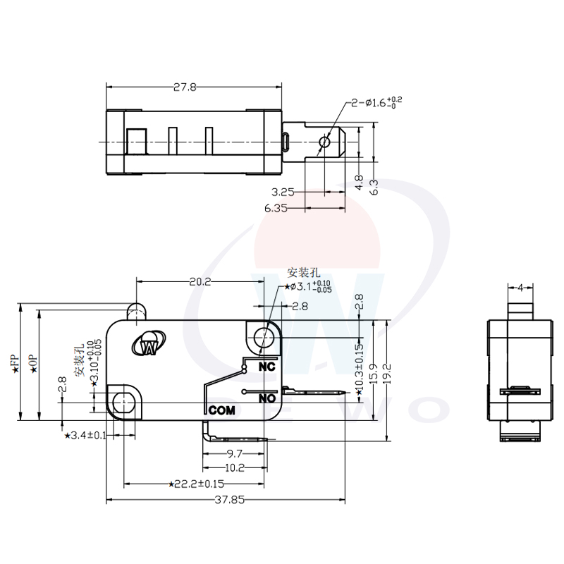
自由位置(FP):18.5±0.50mm
动作位置(OP):17.5±0.50mm
差动行程(MD):0.4mm Max
过行程(OT):0.8mm Min
动作力(OF):15±5gf
释放力(RF):3gf Min
适用湿度:<85%RH
德沃电子Dewo electronic technology
联系德沃
全国服务咨询热线:0769 - 81732018
联系人 : 王松山
手机 :13829297477
传真 : 0769-81732225
邮箱 : sales@dgdewo.com
地址 : 东莞市石碣镇桔洲第三工业区铭华路23号





